Back to Portfolio
CV

Manufacturing of a Pump Body

Hands-on manufacturing project bridging design, production, and precision control.

Manufacturing Metrology Machining
2025 School Project
Project hero image

Manufacturing of a Pump Body

Manufacturing engineering project conducted at Arts et Métiers (ENSAM), focused on the complete realization of a pump body — from casting to machining and dimensional control.


This project was part of a full-cycle manufacturing training program. The objective was to understand the complete industrial process behind the production of a functional part, through three key stages: foundry, machining (manual and CNC), and metrology. The final component had to meet tight dimensional tolerances and remain manufacturable under real industrial conditions.


Phase 1: Foundry

The casting mold was designed in sand, accounting for draft angles, joint planes, vents, shrinkage, and a machining allowance of about 3 mm. The chosen alloy was AlSi7, and molding was performed manually using clay-bound sand. This process ensured proper porosity and minimized alumina skin defects. The resulting casting showed realistic imperfections — such as surface granularity and minor mismatches — which were analyzed and documented as part of the study.


Phase 2: Machining

Machining was divided into two sub-phases:

  • Phase 100: Manual turning — Facing and boring using a fixed-tool lathe. Performed at low speeds due to machine limitations, with noticeable tool wear caused by sand residues from casting.
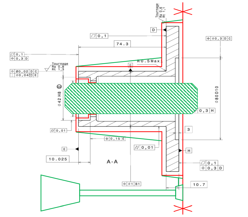
  • Phase 200: CNC turning — Tool path calibration via probing and CAD-based operation planning (faces C, D, and E). This stage offered higher precision and superior surface finish, suitable for small-series production.

Phase 3: Metrology

Dimensional inspection was carried out using a coordinate measuring machine (CMM) equipped with a 3-point electric contact probe. Measurements included flatness, perpendicularity, and cylindricity across multiple surfaces (E, C, and D). Gauss fitting and tolerance analysis confirmed proper alignment, but revealed slight non-compliance in cylindricity due to inherent casting limitations.


This hands-on project provided valuable experience with real-world manufacturing challenges: material selection, tool behavior, machine wear, tolerance validation, and quality control. It reinforced our understanding of industrial interdependencies and the balance between cost, precision, and performance in production engineering.

View Report PDF